

德国semikron西门康MiniSKiiP模块设计用于600V/650V、1200V以及1700V,额定电流 4A - 400A。除了CIB、三相全桥、双三相全桥、H桥、半桥和三电平拓扑,还使用最新芯片技术,如IGBT 7 1200V、应用优化 650V芯片组和碳化硅,提供客户特定模块。
► 提示:
德国Semikron赛米控公司生产的IGBT模块按封装形式可分为六大系列,分别是
SEMITRANS系列 SEMITOP系列 MiniSKiiP系列
点击某一系列,可跳转到相应页面。
2017年,MiniSKiiP迎来了20岁生日。2018年,赛米控再次证实其创新潜质。随着最新一代IGBT 7芯片的引进,MiniSKiiP再度为中低功率电机驱动功率密度和性能设定新标准。结合MiniSKiiPSPRiNG弹簧连接技术众所周知的优点和简易的组装过程,新的性能基准已经建立。与需要昂贵的焊接设备和耗时的焊接工艺的传统焊接模块相比,由于MiniSKiiP仅采用一个或两个螺丝进行连接,不需要专用的工具进行组装。印刷电路板(PCB)、功率模块和散热器组装可一步完成。
应用领域:凭借20多年的经验和4000多万个模块在现场应用,MiniSKiiP平台已被证明在所有标准应用中是成功的。主要应用包括电机驱动器、伺服驱动器、太阳能逆变器、UPS系统和焊接机。
产品范围:MiniSKiiP模块设计用于600V/650V、1200V以及1700V,额定电流 4A - 400A。除了CIB、三相全桥、双三相全桥、H桥、半桥和三电平拓扑,还使用最新芯片技术,如IGBT 7 1200V、应用优化 650V芯片组和碳化硅,提供客户特定模块。
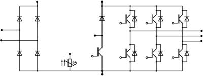
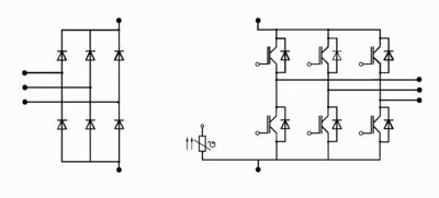
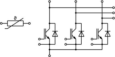
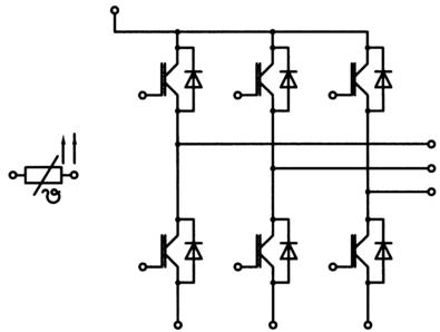
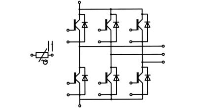
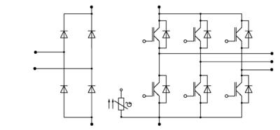
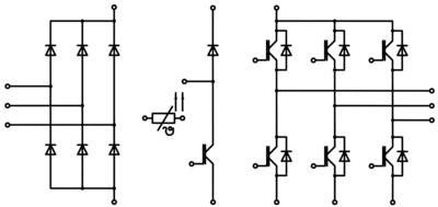
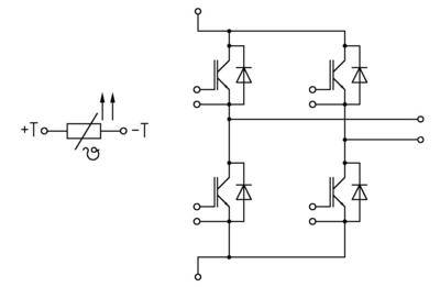
MiniSKiiP® IGBT模块内部电路连接图
6单元NAC |
6单元NEC |
6单元AC |
7单元NEB |
7单元NAB |
6单元AC-1 |
半桥GB |
H桥GH |
单开关GA |
MiniSKiiP® IGBT模块型号(点击某型号,可查看该型号PDF文件)
地址:长沙市雨花区金海路128号领智工业园A1栋5层503号
电话:0731-81858168/ 15200904688
13501214042
邮箱:1062662049@qq.com/54485717@qq.com