

PIM是将3相变频器电路、二极管桥接电路、制动电路集成到1个模块上的产品,能够紧凑地设计主电路。富士公司的PIM有600V、1200V两种电压等级。
► 提示:
日本富士FUJI公司生产的IGBT模块品种繁多,为了使客户选型方便,我们按其性能分为3类:
*MBI系列普通IGBT模块 *MBR系列 PIM 功率集成模块 *MBP系列 IPM 智能功率模块
点击某一系列,可跳转到相应页面。
PIM(Power Integrated Module)是将3相变频器电路、二极管桥接电路、制动电路集成到1个模块上的产品,能够紧凑地设计主电路。根据电动机容量,将小型轻量的小容量PIM和EconoPIM?的两大类系列化。模块端子与印刷电路板的连接包含钎焊和无焊两种,同时还准备了主端子排列不同的产品,能够满足各种需求。
富士公司的PIM有600V、1200V两种电压等级。本公司作为日本FUJI富士公司PIM功率集成模块在中国的经销商,保证原装正品,常备现货。欢迎来电咨询。
日本富士 PIM 功率集成模块
外型照片 M726 M727 M728 M729 M711 M712 M719 |
M720 M721 M722 M723 M724 M725 |
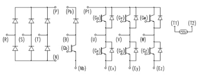
内部连接图
PIM-O PIM-C PIM-O1 |
外型 | 内部 电路图 | 型号列表 | |
600V电压等级 | 1200V系列电压等级 | ||
M726 | PIM-O | 7MBR10VKA060-50 7MBR15VKA060-50 7MBR20VKA060-50 7MBR30VKA060-50 | |
M727 | PIM-O | ||
M728 | PIM-O | 7MBR10VKC060-50 7MBR15VKC060-50 7MBR20VKC060-50 7MBR30VKC060-50 | |
M729 | PIM-O | ||
M711 | PIM-C | ||
M712 | PIM-C | ||
M719 | PIM-C | ||
M720 | PIM-C | 7MBR50VN120-50 7MBR75VN120-50 7MBR100VN120-50 7MBR150VN120-50 | |
M721 | PIM-C | ||
M722 | PIM-C | 7MBR50VX120-50 7MBR75VX120-50 7MBR100VX120-50 7MBR150VX120-50 7MBR50VZ120-50 7MBR75VZ120-50 7MBR100VZ120-50 7MBR150VZ120-50 | |
M723 | PIM-O1 |
| 7MBR8VJA120-50 7MBR8VJA120-53 7MBR15VJA120-50 7MBR15VJA120-53 |
M724 | PIM-O1 |
| 7MBR25VJB120-50 7MBR25VJB120-53 7MBR35VJB120-50 7MBR35VJB120-53 |
M725 | PIM-O1 |
| 7MBR50VJC120-50 7MBR50VJC120-53 7MBR75VJC120-50 7MBR75VJC120-53 |
地址:长沙市雨花区金海路128号领智工业园A1栋5层503号
电话:0731-81858168/ 15200904688
13501214042
邮箱:1062662049@qq.com/54485717@qq.com