

英国westcode西码公司的分立二极管按特性分主要有五种,本页介绍的是Rectifier Diodes整流二极管,主要用于工频整流电路中。
英国西码 二极管 | | 1. Rectifier Diodes整流二极管 4.Extra Fast Recovery Diodes 超快恢复二极管 5.High Power Sonic FRD's 高功率声波快恢复二极管 (点击可跳转至相应页面) |
英国westcode西码公司的分立二极管按特性分主要有五种:Rectifier Diodes整流二极管、Fast Recovery Diodes快恢复二极管、Soft Recovery Diodes软恢复二极管、Extra Fast Recovery Diodes 超快恢复二极管、High Power Sonic FRD's 高功率声波快恢复二极管。
本公司作为英国westcode西码公司分立二极管在中国的经销商,保证原装正品,交货及时,常备现货。
本页所列表展示的是Rectifier Diodes整流二极管,主要用于交流变直流的整流电路中。封装形式有两种:螺栓型、平板型。
1、Rectifier Diodes整流二极管
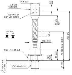
外型代号及尺寸备查
W1 (42*19*14) |
W2 (42*25*14) |
W3 (42*25*26) |
W4 (58*34*26) |
(74*47*26) |
(101*63*26) |
W7 (110*73*36) |
W42 (110*73*26) |
W43 (100*63*26) |
W54 (74*50*26) |
(112*75*26) |
W94 (112*75*35) |
WD2 (58*38*14) |
WD5 (100*68*26) |
(100*68*33) |
WD7 (58*38*14) |
尺寸 a*b*c (mm) | |
W23 |
W24 | ||||
W39 |
| ||||
► Studs 螺栓型(点击某一型号,即可下载其PDF文件。)
Part No. | VRRM (V) | IFAV (A) @ TC=55°C | Package |
2500 2800 3200 | 428 | W39 | |
2500 2800 3200 | 428 | ||
2500 2800 3200 | 428 | W24 | |
2500 2800 3200 | 428 | ||
1600 2000 2400 | 503 | W24 | |
1600 2000 2400 | 503 | ||
1200 1500 | 735 | W23 | |
1200 1500 | 735 |
► Capsules 平板型
Part No. | VRRM (V) | IFAV (A)@ TC=55°C | Package |
3600 4500 | 507 | W3 | |
1600 2000 2400 | 642 | W1 | |
1200 1500 | 944 | W1 | |
5000 5600 6000 | 1032 | W4 | |
2000 2600 3200 | 1074 | W2 | |
2000 2600 3200 | 1074 | W3 | |
3000 3800 4500 | 1185 | W4 | |
1600 2000 2500 | 1263 | W2 | |
1600 2000 2500 | 1263 | W3 | |
3000 3600 | 1411 | W4 | |
5000 6000 | 1520 | W5 | |
2400 3000 | 1524 | W4 | |
2400 2800 | 1730 | W113 | |
1800 2200 2500 | 1748 | W4 | |
4000 5000 | 1856 | W5 | |
6500 6800 7200 | 1975 | W54 | |
1800 2200 | 1980 | W113 | |
3600 4500 | 2054 | W5 | |
1000 1200 1400 | 2058 | W4 | |
5200 5600 6000 | 2115 | W54 | |
3000 4000 | 2134 | W5 | |
W2340JK120 W2340JK150 | 1200 1500 | 2340 | W113 |
2000 2500 | 2624 | W5 | |
3600 4500 | 2820 | W6 | |
3600 4500 | 2820 | W43 | |
5200 5600 6000 | 2830 | W105 | |
4200 4600 4800 | 2899 | W54 | |
4200 4400 4500 | 3082 | W54 | |
5200 5600 6000 | 3090 | W106 | |
3000 4000 | 3128 | W6 | |
3000 4000 | 3128 | W43 | |
2000 2200 | 3270 | W5 | |
W3305QK240 W3305QK280 | 2400 2800 | 3305 | WD2 |
2000 2200 | 3455 | WD2 | |
3600 4000 | 3477 | W54 | |
2200 2800 | 3697 | W6 | |
2200 2800 | 3697 | W43 | |
4000 4500 5000 | 3743 | W7 | |
4000 4500 5000 | 3743 | W42 | |
3000 3200 3500 | 3708 | W54 | |
3000 3400 | 3841 | W6 | |
3000 3400 | 3841 | W43 | |
2400 2800 | 3842 | W54 | |
1200 1500 1800 | 3864 | WD2 | |
3400 4500 | 4096 | W7 | |
3400 4500 | 4096 | W42 | |
5200 5600 6000 | 4205 | W89 | |
5200 5600 6000 | 4205 | W94 | |
2000 2200 | 4295 | WD8 | |
200 600 | 4534 | W5 | |
500 800 | 4693 | WD2 | |
W4693QR050 W4693QR080 | 500 800 | 4693 | WD7 |
3000 3500 | 4713 | WD5 | |
3000 3500 | 4713 | WD6 | |
1800 2200 | 4767 | W54 | |
3200 3500 | 5092 | W7 | |
3200 3500 | 5092 | W42 | |
2400 2800 | 5130 | WD2 | |
4200 4800 | 5139 | W89 | |
4200 4800 | 5139 | W94 | |
2400 3000 | 5282 | W7 | |
2400 3000 | 5282 | W42 | |
5000 5600 | 5292 | W28 | |
5000 5600 | 5292 | W29 | |
2000 2200 | 5334 | WD3 | |
1200 1400 1500 | 5636 | W54 | |
1000 1400 | 5696 | W6 | |
1000 1400 | 5696 | W43 | |
1800 2200 | 5838 | W7 | |
1800 2200 | 5838 | W42 | |
3600 4000 | 5984 | W89 | |
3600 4000 | 5984 | W94 | |
2000 2400 | 6262 | W7 | |
2000 2400 | 6262 | W42 | |
4500 5000 | 6908 | W52 | |
4500 5000 | 6908 | W59 | |
200 400 | 7032 | W49 | |
300 600 | 7045 | W54 |
地址:长沙市雨花区金海路128号领智工业园A1栋5层503号
电话:0731-81858168/ 15200904688
13501214042
邮箱:1062662049@qq.com/54485717@qq.com