

三可控硅模块是指一支模块封装中有三片可控硅管芯,模块底板非绝缘,底板是一个电极;三二极管模块是指一支模块封装中有三片二极管管芯,模块底板非绝缘,底板是一个电极。这种结构的模块多应用于焊机领域。
本公司自产 可控硅二极管模块 | |
本公司采用进口管芯和国产优质管芯,严格按国际标准生产可控硅模块、二极管模块、整流桥模块及配套提供模块散热器。品种有:
之一,MT*系列单/双可控硅模块Single/Double Phase Control Thyristors Modules
之二,MF*系列可控硅二极管混合模块SCR/Diode Phase Control
之三,MD*系列单/双二极管模块Single/Double Diode Modules
之五,三可控硅模块、三整流管模块
之六,模块用散热器选型 (点击某一类,可跳转至相应页面)
本页介绍 之五,三可控硅模块、三整流管模块 |
►外形尺寸备查◄
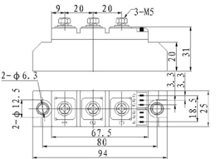
HJ225H4 |
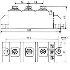
HJ234H4 |
HJ234H4-A |
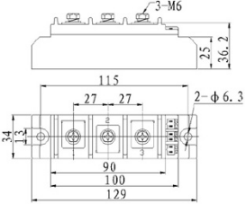
HJ234Y4 |
HJ234Y4-A |
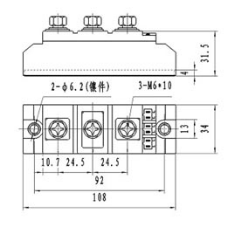
HJ463Y4 |
● MTG 系列三相共阳(非绝缘型)晶闸管模块 -- Three Phases Com-anode Thyristors Modules (Non-isolated)
MTY 系列三相共阴(非绝缘型)晶闸管模块 -- Three Phases Com-cathode Thyristors Modules (Non-isolated)
说明
特点
| 典型应用
| 说明
|
内部电路图
MTG(HJ)、MTG三相共阳 |
MTY(HJ)、MTY三相共阴 |
产品明细
Type | IT (A) | VDRM VRRM | IDRM IRRM | ITSM | VTM | IGT | VGT | IH | dv/dt | di/dt | Tjm | Rjc | VT0 | rT | SA | outline |
@TC =110 oC | (V) | (mA) | (KA) | (V) | (mA) | (V) | (mA) | (V/us) | (A/us) | (oC) | (oC/w) | (V) | (mΩ) | (cm2) | ||
MTG(HJ) 三相共阳焊机模块 | ||||||||||||||||
MTG(HJ)100H | 100 | 200-600 | 8 | 3.0 | 1.35 | 50 | 1.2 | 80 | 800 | 80 | 140 | 0.24 | 0.75 | 2.00 | 3000 | HJ225H4 |
MTG(HJ) 160H | 160 | 200-600 | 10 | 4.8 | 1.35 | 50 | 1.2 | 80 | 800 | 80 | 140 | 0.15 | 0.75 | 1.25 | 4500 | HJ234H4 |
MTG(HJ) 200H | 200 | 200-600 | 12 | 6.0 | 1.35 | 50 | 1.2 | 80 | 800 | 80 | 140 | 0.13 | 0.75 | 1.00 | 6500 | HJ234H4-A |
MTG(HJ) 100Y | 100 | 200-600 | 8 | 3.3 | 1.35 | 60 | 1.5 | 100 | 800 | 100 | 140 | 0.24 | 0.75 | 2.00 | 3000 | HJ234Y4 |
MTG(HJ) 160Y | 160 | 200-600 | 12 | 5.3 | 1.35 | 70 | 1.5 | 100 | 800 | 100 | 140 | 0.15 | 0.75 | 1.25 | 4500 | HJ234Y4-A |
MTG(HJ) 200Y | 200 | 200-600 | 12 | 6.6 | 1.30 | 80 | 1.5 | 100 | 800 | 100 | 140 | 0.13 | 0.75 | 0.92 | 6500 | HJ234Y4-A |
MTG(HJ) 300Y | 300 | 200-600 | 15 | 7.0 | 1.35 | 80 | 1.5 | 100 | 800 | 100 | 140 | 0.12 | 0.75 | 0.67 | 8500 | HJ463Y4 |
MTY(HJ) 三相共阴焊机模块 | ||||||||||||||||
MTY(HJ) 100Y | 100 | 200-600 | 8 | 3.3 | 1.35 | 60 | 1.5 | 100 | 800 | 100 | 140 | 0.24 | 0.75 | 2.00 | 3000 | HJ234Y4 |
MTY(HJ) 160Y | 160 | 200-600 | 12 | 5.3 | 1.35 | 70 | 1.5 | 100 | 800 | 100 | 140 | 0.15 | 0.75 | 1.25 | 4500 | HJ234Y4-A |
MTY(HJ) 200Y | 200 | 200-600 | 12 | 6.6 | 1.30 | 80 | 1.5 | 100 | 800 | 100 | 140 | 0.13 | 0.75 | 0.92 | 6500 | HJ234Y4-A |
MTY(HJ) 300Y | 300 | 200-600 | 15 | 7.0 | 1.35 | 80 | 1.5 | 100 | 800 | 100 | 140 | 0.12 | 0.75 | 0.67 | 8500 | HJ463Y4 |
MTG、MTY 普通型 注:型号MTG--H中的表示焊接式;MTG--Y中的表示压接式;MTY共阴模块没有焊接式。 | |||||||||||||||||
Type | IT (A) | VDRM VRRM | IDRM IRRM | ITSM | VTM | @ITM | IGT | VGT | IH | dv/dt | di/dt | Tjm | Rjc | VT0 | rT | SA | outline |
@110 oC | V | mA | KA | V | A | mA | V | mA | V/us | A/us | oC | oC/w | V | mΩ | cm2 | ||
MTG 三相共阳 | |||||||||||||||||
MTG 100H | 100 | 800-1600 | 10 | 3.0 | 1.50 | 300 | 50 | 1.2 | 80 | 800 | 80 | 125 | 0.24 | 0.80 | 2.30 | 3000 | HJ225H4 |
MTG 160H | 160 | 800-1600 | 12 | 4.8 | 1.50 | 480 | 50 | 1.2 | 80 | 800 | 80 | 125 | 0.15 | 0.80 | 1.46 | 4500 | HJ234H4 |
MTG 200H | 200 | 800-1600 | 12 | 6.0 | 1.50 | 600 | 50 | 1.2 | 80 | 800 | 80 | 125 | 0.13 | 0.80 | 1.17 | 6500 | HJ234H4-A |
MTG 100Y | 100 | 800-1800 | 10 | 3.3 | 1.60 | 300 | 60 | 1.5 | 100 | 800 | 100 | 125 | 0.24 | 0.80 | 2.67 | 3000 | HJ234Y4 |
MTG 160Y | 160 | 800-1800 | 12 | 5.3 | 1.60 | 480 | 70 | 1.5 | 100 | 800 | 100 | 125 | 0.15 | 0.80 | 1.67 | 4500 | HJ234Y4-A |
MTG 200Y | 200 | 800-1800 | 12 | 6.6 | 1.60 | 600 | 80 | 1.5 | 100 | 800 | 100 | 125 | 0.13 | 0.80 | 1.33 | 6500 | HJ463Y4 |
MTG 300Y | 300 | 800-1800 | 15 | 7.0 | 1.60 | 900 | 80 | 1.5 | 100 | 800 | 100 | 125 | 0.12 | 0.80 | 0.89 | 8500 | HJ463Y4 |
MTY 三相共阴 | |||||||||||||||||
MTY 100Y | 100 | 800-1800 | 10 | 3.3 | 1.60 | 300 | 60 | 1.5 | 100 | 800 | 100 | 125 | 0.24 | 0.80 | 2.67 | 3000 | HJ234Y4 |
MTY 160Y | 160 | 800-1800 | 12 | 5.3 | 1.60 | 480 | 70 | 1.5 | 100 | 800 | 100 | 125 | 0.15 | 0.80 | 1.67 | 4500 | HJ234Y4-A |
MTY 200Y | 200 | 800-1800 | 15 | 6.6 | 1.55 | 600 | 80 | 1.5 | 100 | 800 | 100 | 125 | 0.13 | 0.80 | 1.25 | 6500 | HJ463Y4 |
MTY 300Y | 300 | 800-1800 | 15 | 7.0 | 1.60 | 900 | 80 | 1.5 | 100 | 800 | 100 | 125 | 0.12 | 0.80 | 0.89 | 8500 | HJ463Y4 |
● MDG 系列三相共阳(非绝缘型)二极管模块 -- Three Phases Com-anode Diodes Modules (Non-isolated)
MDY 系列三相共阴(非绝缘型)二极管模块 -- Three Phases Com-cathode Diodes Modules (Non-isolated)
说明
特点
| 典型应用
| 说明
|
内部电路图
MDG(HJ)、MDG三相共阳 |
MDY(HJ)、MDY三相共阴 |
产品明细
MDG (HJ)、MDY (HJ) (低压型,特别适于电焊机) | 注:型号MDG(HJ)--H中的H表示焊接式;MDG(HJ)--Y中的Y表示压接式;MDY(HJ)共阴模块没有焊接式。 | ||||||||||||
Type | IT (A) | VRRM | IRRM | IFSM | VFM | @IFM | Tjm | Rjc | VF0 | rF | SA | outline | |
@TC =110 oC | (V) | (mA) | (KA) | (V) | (A) | (oC) | (oC/w) | (V) | (mΩ) | (cm2) | |||
MDG(HJ) 三相共阳焊机模块 | |||||||||||||
MDG(HJ) 100H | 100 | 200-600 | 8 | 3.0 | 1.15 | 300 | 150 | 0.24 | 0.75 | 1.33 | 3000 | HJ225H4 | |
MDG(HJ) 160H | 160 | 200-600 | 10 | 4.8 | 1.15 | 480 | 150 | 0.15 | 0.75 | 0.83 | 4500 | HJ234H4 | |
MDG(HJ) 200H | 200 | 200-600 | 12 | 6.0 | 1.15 | 600 | 150 | 0.13 | 0.75 | 0.67 | 6500 | HJ234H4-A | |
MDG(HJ) 100Y | 100 | 200-600 | 8 | 3.3 | 1.20 | 300 | 150 | 0.24 | 0.75 | 1.50 | 3000 | HJ234Y4 | |
MDG(HJ) 160Y | 160 | 200-600 | 12 | 5.3 | 1.20 | 480 | 150 | 0.15 | 0.75 | 0.94 | 4500 | HJ234Y4-A | |
MDG(HJ) 200Y | 200 | 200-600 | 12 | 6.6 | 1.15 | 600 | 150 | 0.13 | 0.75 | 0.67 | 6500 | HJ234Y4-A | |
MDG(HJ) 300Y | 300 | 200-600 | 15 | 7.0 | 1.20 | 900 | 150 | 0.12 | 0.75 | 0.50 | 8500 | HJ463Y4 | |
MDY(HJ) 三相共阴焊机模块 | |||||||||||||
MDY(HJ) 100Y | 100 | 200-600 | 8 | 3.3 | 1.20 | 300 | 150 | 0.24 | 0.75 | 1.50 | 3000 | HJ234Y4 | |
MDY(HJ) 160Y | 160 | 200-600 | 12 | 5.3 | 1.20 | 480 | 150 | 0.15 | 0.75 | 0.94 | 4500 | HJ234Y4-A | |
MDY(HJ) 200Y | 200 | 200-600 | 12 | 6.6 | 1.15 | 600 | 150 | 0.13 | 0.75 | 0.67 | 6500 | HJ234Y4-A | |
MDY(HJ) 300Y | 300 | 200-600 | 15 | 7.0 | 1.20 | 900 | 150 | 0.12 | 0.75 | 0.50 | 8500 | HJ463Y4 | |
MDG 、MDY 普通型 | 注:型号MDG--H中的表示焊接式;MDG--Y中的表示压接式;MDY共阴模块没有焊接式。 | ||||||||||||
Type | IT (A) | VRRM | IRRM | IFSM | VFM | @IFM | Tjm | Rjc | VF0 | rF | SA | outline | |
@TC =110 oC | (V) | (mA) | (KA) | (V) | (A) | (oC) | (oC/w) | (V) | (mΩ) | (cm2) | |||
MDG 三相共阳 | |||||||||||||
MDG 100H | 100 | 800-1800 | 8 | 3.0 | 1.15 | 300 | 150 | 0.24 | 0.75 | 1.33 | 3000 | HJ225H4 | |
MDG 160H | 160 | 800-1800 | 10 | 4.8 | 1.15 | 480 | 150 | 0.15 | 0.75 | 0.83 | 4500 | HJ234H4 | |
MDG 200H | 200 | 800-1800 | 12 | 6.0 | 1.15 | 600 | 150 | 0.13 | 0.75 | 0.67 | 6500 | HJ234H4-A | |
MDG 100Y | 100 | 800-1800 | 8 | 3.3 | 1.20 | 300 | 150 | 0.24 | 0.75 | 1.50 | 3000 | HJ234Y4 | |
MDG 160Y | 160 | 800-1800 | 12 | 5.3 | 1.20 | 480 | 150 | 0.15 | 0.75 | 0.94 | 4500 | HJ234Y4-A | |
MDG 200Y | 200 | 800-1800 | 12 | 6.6 | 1.15 | 600 | 150 | 0.13 | 0.75 | 0.67 | 6500 | HJ463Y4 | |
MDG 300Y | 300 | 800-1800 | 15 | 7.0 | 1.20 | 900 | 150 | 0.12 | 0.75 | 0.50 | 8500 | HJ463Y4 | |
MDY 三相共阴 | |||||||||||||
MDY 100Y | 100 | 800-1800 | 8 | 3.3 | 1.20 | 300 | 150 | 0.24 | 0.75 | 1.50 | 3000 | HJ234Y4 | |
MDY 160Y | 160 | 800-1800 | 12 | 5.3 | 1.20 | 480 | 150 | 0.15 | 0.75 | 0.94 | 4500 | HJ234Y4-A | |
MDY 200Y | 200 | 800-1800 | 12 | 6.6 | 1.15 | 600 | 150 | 0.13 | 0.75 | 0.67 | 6500 | HJ463Y4 | |
MDY 300Y | 300 | 800-1800 | 15 | 7.0 | 1.20 | 900 | 150 | 0.12 | 0.75 | 0.50 | 8500 | HJ463Y4 | |
地址:长沙市雨花区金海路128号领智工业园A1栋5层503号
电话:0731-81858168/ 15200904688
13501214042
邮箱:1062662049@qq.com/54485717@qq.com