

KP系列普通可控硅,其可控硅芯片内部少子寿命比较长,关断时间几百微秒以上,一般用于工频50HZ交流电路中。按封装外形可分为螺栓型、平板型。
本公司自产 可控硅二极管分立器件 | 本公司采用进口管芯和国产优质管芯,严格按国际标准生产可控硅、二极管分立器件及配套提供分立器件散热器。品种有: 之一、KP 系列 普通可控硅 ( Phase Control Thyristor) 之二、 KK 系列 快速可控硅 ( Fast Switching Thyristor) (点击某一类,可跳转至相应页面) 之三、 KA(KG) 系列 高频可控硅 ( High Frequence Thyristor) 之四、 KS 系列 双向可控硅 ( Bi-Directional Thyristor) 之五、ZP 系列 普通整流二极管 (Rectifier Diode ) 之六、ZK 系列 快速二极管 ( Fast Recovery Diode ) |
本页介绍 之一、KP系列 普通晶闸管 ( Phase Control Thyristor)
|
|
特点
| 典型应用
| 说明
|
产品列表
KP5A-KP500A 螺栓型
Type | ITAV (A) | VDRM /VRRM | IDRM/IRRM | ITSM | VTM | @ITM | IGT | VGT | IH | dv/dt | di/dt | Rjhs | VT0 | rT | outline |
@THS=85oC | (V) | (mA) | (KA) | (V) | (A) | (mA) | (V) | (mA) | (V/us) | (A/us) | (oC/w) | (V) | (mΩ) | ||
KP5-KL6 | 5 | 500-1800 | 6 | 0.09 | 1.45 | 15 | 60 | 1.2 | 80 | 800 | 50 | 2.5 | 0.80 | 40.0 | KL6 |
KP10-KL8 | 10 | 500-1800 | 8 | 0.18 | 1.60 | 30 | 60 | 1.2 | 80 | 800 | 50 | 1.0 | 0.80 | 26.7 | KL8 |
KP20-KL10 | 20 | 500-1800 | 8 | 0.36 | 1.60 | 60 | 60 | 1.2 | 80 | 800 | 50 | 1.0 | 0.80 | 13.3 | KL10 |
KP50-KL12 | 50 | 500-1800 | 15 | 0.94 | 1.60 | 150 | 60 | 1.5 | 100 | 800 | 50 | 0.4 | 0.80 | 5.33 | KL12 |
KP100-KL16 | 100 | 500-1800 | 20 | 1.90 | 1.60 | 300 | 80 | 1.5 | 100 | 800 | 50 | 0.2 | 0.80 | 2.67 | KL16 |
KP200-KL20 | 200 | 500-1800 | 20 | 3.80 | 1.62 | 600 | 80 | 1.5 | 100 | 800 | 50 | 0.11 | 0.85 | 1.37 | KL20 |
KP300-KL24 | 300 | 500-1800 | 25 | 5.80 | 1.65 | 900 | 80 | 1.6 | 100 | 800 | 100 | 0.08 | 0.85 | 0.89 | KL24 |
KP300-KLy19 | 300 | 500-1800 | 25 | 5.80 | 1.65 | 900 | 80 | 1.6 | 100 | 800 | 100 | 0.08 | 0.85 | 0.89 | KLy19 |
KP500-KL30 | 500 | 500-1800 | 30 | 7.50 | 1.75 | 1500 | 80 | 1.6 | 100 | 800 | 100 | 0.06 | 0.85 | 0.60 | KL30 |
KP200A-KP6800A 平板型 (电压等级 500V--8500V)
Type | ITAV (A) | VDRM /VRRM | IDRM/IRRM | ITSM | VTM | @ITM | IGT | VGT | IH | dv/dt | di/dt | VT0 | rT | Rjhs | outline |
@THS 70 oC | (V) | (mA) | (KA) | (V) | (A) | (mA) | (V) | (mA) | (V/us) | (A/us) | (V) | (mΩ) | (oC/w) | ||
KP200-30KA26 | 200A | 500-2500V | 15 | 2.5 | 1.8 | 600 | 30-200 | 0.8-1.8 | 30-150 | 1000 | 100 | 0.89 | 1.10 | 0.065 | 30KA26 |
KP200-26KT19aT | 200A | 500-1800V | 15 | 2.5 | 1.8 | 600 | 30-200 | 0.8-1.8 | 30-150 | 1000 | 100 | 0.85 | 1.20 | 0.095 | 26KT19aT |
KP200-30KT25aT | 200A | 500-2500V | 15 | 2.5 | 2.0 | 600 | 30-200 | 0.8-1.8 | 30-150 | 1000 | 100 | 0.88 | 1.02 | 0.055 | 30KT25aT |
KP300-35KA32 | 300A | 500-2500V | 20 | 3.8 | 1.8 | 900 | 30-200 | 0.8-1.8 | 30-150 | 1000 | 100 | 0.92 | 0.75 | 0.040 | 35KA32 |
KP300-30KT25aT | 300A | 500-1800V | 20 | 3.8 | 1.8 | 900 | 30-200 | 0.8-1.8 | 30-150 | 1000 | 100 | 0.88 | 1.02 | 0.055 | 30KT25aT |
KP300-35KT29aT | 300A | 1900-2500V | 30 | 5.5 | 1.9 | 900 | 30-200 | 0.8-1.8 | 30-150 | 1000 | 100 | 0.88 | 1.02 | 0.055 | 35KT29aT |
KP300-35KT29aT | 300A | 2600-3400V | 30 | 5.5 | 2.2 | 900 | 40-250 | 1.0-2.0 | 30-200 | 1000 | 100 | 0.98 | 1.20 | 0.035 | 35KT29aT |
KP300-38KT34cT | 300A | 3600-4200V | 30 | 6.5 | 2.9 | 900 | 40-250 | 1.0-2.0 | 30-200 | 1000 | 100 | 1.15 | 1.47 | 0.037 | 38KT34cT |
KP300-38KT34hT | 300A | 4400-6500V | 30 | 5.5 | 2.0 | 500 | 50-280 | 1.2-2.5 | 30-300 | 1000 | 100 | 1.2 | 2.0 | 0.045 | 38KT34hT |
KP500-40KA37 | 500A | 500-2500V | 30 | 6.4 | 1.9 | 1500 | 30-200 | 0.8-1.8 | 30-150 | 1000 | 100 | 0.90 | 0.23 | 0.035 | 40KA37 |
KP500-40KT34cT | 500A | 500-2500V | 30 | 6.4 | 1.9 | 1500 | 30-200 | 0.8-1.8 | 30-150 | 1000 | 100 | 0.90 | 0.23 | 0.035 | 40KT34cT |
KP500-38KT34cT | 500A | 2600-3400V | 40 | 6.4 | 2.4 | 1500 | 40-250 | 1.0-2.0 | 30-200 | 1000 | 100 | 1.03 | 0.97 | 0.037 | 38KT34cT |
KP500-50KT47hT | 500A | 3600-6500V | 50 | 10 | 1.8 | 1000 | 50-280 | 1.2-2.5 | 30-300 | 1000 | 150 | 1.22 | 0.97 | 0.022 | 50KT47hT |
KP800-40KT39cT | 800A | 500-1000V | 30 | 10 | 1.7 | 2400 | 30-200 | 0.8-1.8 | 30-150 | 1000 | 100 | 0.85 | 0.30 | 0.032 | 40KT39cT |
KP800-40KT39cT | 800A | 1200-1800V | 30 | 10 | 2.0 | 2400 | 30-200 | 0.8-1.8 | 30-150 | 1000 | 100 | 0.91 | 0.35 | 0.032 | 40KT39cT |
KP800-50KT47cT | 800A | 2000-3000V | 80 | 11.5 | 2.3 | 2400 | 40-250 | 1.0-2.0 | 30-200 | 1000 | 150 | 1.05 | 0.52 | 0.024 | 50KT47cT |
KP800-50KT47cT | 800A | 3200-4500V | 80 | 11.5 | 2.6 | 1500 | 50-280 | 1.2-2.5 | 30-300 | 1000 | 150 | 1.24 | 0.77 | 0.024 | 50KT47cT |
KP800-50KT47hT | 800A | 4600-5200V | 80 | 10 | 1.8 | 1000 | 50-280 | 1.2-2.5 | 30-300 | 1000 | 150 | 1.12 | 0.78 | 0.022 | 50KT47hT |
KP1000-45KT44cT | 1000A | 500-1000V | 50 | 13 | 1.7 | 3000 | 30-200 | 0.8-1.8 | 30-150 | 1000 | 150 | 0.88 | 0.25 | 0.03 | 45KT44cT |
KP1000-45KT44cT | 1000A | 1200-1800V | 50 | 13 | 2.0 | 3000 | 30-200 | 0.8-1.8 | 30-150 | 1000 | 150 | 0.93 | 0.29 | 0.03 | 45KT44cT |
KP1000-50KT47cT | 1000A | 2000-3000V | 80 | 13 | 2.4 | 3000 | 40-250 | 1.0-2.0 | 30-200 | 1000 | 150 | 1.11 | 0.36 | 0.024 | 50KT47cT |
KP1000-65KT63cT | 1000A | 3200-4500V | 100 | 16 | 2.5 | 3000 | 50-280 | 1.2-2.5 | 30-300 | 1000 | 200 | 1.12 | 0.46 | 0.017 | 65KT63cT |
KP1000-67KT63hT | 1000A | 4600-6500V | 150 | 14 | 2.2 | 1500 | 50-280 | 1.2-2.5 | 30-300 | 1000 | 200 | 1.20 | 0.78 | 0.015 | 67KT63hT |
KP1200-50KT47cT | 1200A | 500-1800V | 80 | 15 | 1.9 | 3000 | 30-200 | 0.8-1.8 | 30-150 | 1000 | 150 | 0.91 | 0.23 | 0.024 | 50KT47cT |
KP1200-55KT54cT | 1200A | 2000-3000V | 80 | 15 | 2.1 | 3000 | 40-250 | 1.0-2.0 | 30-200 | 1000 | 150 | 0.97 | 0.27 | 0.022 | 55KT54cT |
KP1200-65KT63cT | 1200A | 3200-4500V | 120 | 16 | 2.6 | 3000 | 50-280 | 1.2-2.5 | 30-300 | 1000 | 200 | 1.17 | 0.35 | 0.017 | 65KT63cT |
KP1200-67KT63hT | 1200A | 4600-5200V | 150 | 24 | 2.2 | 1500 | 50-280 | 1.2-2.5 | 30-300 | 1000 | 200 | 1.10 | 0.42 | 0.015 | 67KT63hT |
KP1200-76KT73hT | 1200A | 5400-6500V | 200 | 18 | 1.9 | 1500 | 50-280 | 1.2-2.5 | 30-300 | 1000 | 250 | 1.18 | 0.63 | 0.011 | 76KT73hT |
KP1500-50KT47cT | 1500A | 500-1000V | 80 | 20 | 1.7 | 3000 | 30-200 | 0.8-1.8 | 30-150 | 1000 | 150 | 0.89 | 0.15 | 0.024 | 50KT47cT |
KP1500-55KT54cT | 1500A | 1200-1800V | 80 | 20 | 2.0 | 3000 | 40-250 | 1.0-2.0 | 30-200 | 1000 | 150 | 1.10 | 0.18 | 0.022 | 55KT54cT |
KP1500-60KT54cT | 1500A | 2000-3000V | 120 | 20 | 2.2 | 3000 | 50-280 | 1.2-2.5 | 30-300 | 1000 | 200 | 1.20 | 0.21 | 0.020 | 60KT54cT |
KP1500-76KT73cT | 1500A | 3200-4500V | 200 | 20 | 2.4 | 3000 | 50-280 | 1.2-2.5 | 30-300 | 1000 | 250 | 1.15 | 0.32 | 0.011 | 76KT73cT |
KP1500-76KT73hT | 1500A | 4600-5200V | 200 | 24 | 1.4 | 1500 | 50-280 | 1.2-2.5 | 30-300 | 1000 | 250 | 1.02 | 0.33 | 0.011 | 76KT73hT |
KP1500-88KT84hT | 1500A | 5400-6500V | 250 | 31 | 3.2 | 6000 | 80-300 | 1.2-3.0 | 50-300 | 1000 | 300 | 1.40 | 0.37 | 0.008 | 88KT84hT |
KP1500-120KT110hT | 1500A | 6600-8500V | 400 | 40 | 1.8 | 1500 | 80-300 | 1.2-3.0 | 50-300 | 1000 | 300 | 1.30 | 0.40 | 0.004 | 120KT110hT |
KP1800-55KT54cT | 1800A | 500-1000V | 80 | 22.5 | 1.7 | 4000 | 30-200 | 0.8-1.8 | 30-150 | 1000 | 150 | 0.88 | 0.17 | 0.022 | 55KT54cT |
KP1800-60KT54cT | 1800A | 1200-1800V | 120 | 22.5 | 2.0 | 4000 | 50-280 | 1.2-2.5 | 30-300 | 1000 | 200 | 0.98 | 0.15 | 0.020 | 60KT54cT |
KP1800-65KT63cT | 1800A | 2000-3000V | 120 | 22.5 | 2.2 | 4000 | 50-280 | 1.2-2.5 | 30-300 | 1000 | 200 | 0.99 | 0.19 | 0.017 | 65KT63cT |
KP1800-76KT73cT | 1800A | 3200-3400V | 200 | 33 | 1.6 | 3000 | 50-280 | 1.2-2.5 | 30-300 | 1000 | 250 | 1.0 | 0.235 | 0.012 | 76KT73cT |
KP1800-88KT84hT | 1800A | 3600-6500V | 250 | 31 | 3.4 | 6000 | 80-300 | 1.2-3.0 | 50-300 | 1000 | 300 | 1.40 | 0.37 | 0.008 | 88KT84hT |
KP1800-120KT110hT | 1800A | 6600-7200V | 400 | 38 | 1.7 | 3000 | 80-300 | 1.2-3.0 | 50-300 | 1000 | 300 | 1.26 | 0.197 | 0.004 | 120KT110hT |
KP2000-60KT54cT | 2000A | 500-1000V | 120 | 25 | 1.7 | 4000 | 50-280 | 1.2-2.5 | 30-300 | 1000 | 200 | 0.95 | 0.12 | 0.020 | 60KT54cT |
KP2000-65KT63cT | 2000A | 1200-1800V | 120 | 25 | 2.0 | 4000 | 50-280 | 1.2-2.5 | 30-300 | 1000 | 200 | 0.87 | 0.14 | 0.017 | 65KT63cT |
KP2000-70KT63cT | 2000A | 2000-3000V | 150 | 25 | 2.2 | 4000 | 50-280 | 1.2-2.5 | 30-300 | 1000 | 250 | 1.07 | 0.19 | 0.016 | 70KT63cT |
KP2000-88KT84hT | 2000A | 3200-4500V | 250 | 41 | 2.4 | 5000 | 80-300 | 1.2-3.0 | 50-300 | 1000 | 300 | 1.0 | 0.18 | 0.009 | 88KT84hT |
KP2000-88KT84hT | 2000A | 4600-5200V | 250 | 36 | 2.6 | 6000 | 80-300 | 1.2-3.0 | 50-300 | 1000 | 300 | 1.30 | 0.264 | 0.008 | 88KT84hT |
KP2000-100KT100hT | 2000A | 5400-6500V | 300 | 39 | 3.3 | 6000 | 80-300 | 1.2-3.0 | 50-300 | 1000 | 300 | 1.4 | 0.35 | 0.007 | 100KT100hT |
KP2500-65KT63cT | 2500A | 500-1000V | 120 | 31 | 1.7 | 5000 | 50-280 | 1.2-2.5 | 30-300 | 1000 | 200 | 0.75 | 0.11 | 0.017 | 65KT63cT |
KP2500-70KT63cT | 2500A | 1200-1800V | 150 | 31 | 2.0 | 5000 | 50-280 | 1.2-2.5 | 30-300 | 1000 | 250 | 0.80 | 0.14 | 0.016 | 70KT63cT |
KP2500-76KT73cT | 2500A | 2000-3000V | 200 | 31 | 2.2 | 5000 | 50-280 | 1.2-2.5 | 30-300 | 1000 | 250 | 1.0 | 0.15 | 0.011 | 76KT73cT |
KP2500-88KT84hT | 2500A | 3200-4500V | 250 | 41 | 2.4 | 5000 | 80-300 | 1.2-3.0 | 50-300 | 1000 | 300 | 1.0 | 0.18 | 0.009 | 88KT84hT |
KP2500-100KT100hT | 2500A | 4600-5200V | 300 | 46 | 2.4 | 6000 | 80-300 | 1.2-3.0 | 50-300 | 1000 | 300 | 1.35 | 0.197 | 0.007 | 100KT100hT |
KP3000-70KT63cT | 3000A | 500-1000V | 150 | 38 | 1.7 | 5000 | 50-280 | 1.2-2.5 | 30-300 | 1000 | 250 | 0.9 | 0.1 | 0.016 | 70KT63cT |
KP3000-76KT73cT | 3000A | 1200-1800V | 200 | 38 | 2.0 | 5000 | 50-280 | 1.2-2.5 | 30-300 | 1000 | 250 | 0.84 | 0.09 | 0.011 | 76KT73cT |
KP3000-88KT84cT | 3000A | 2000-3400V | 250 | 53 | 1.7 | 6000 | 80-300 | 1.2-3.0 | 50-300 | 1000 | 300 | 1.05 | 0.121 | 0.008 | 88KT84cT |
KP3000-100KT100hT | 3000A | 3600-4200V | 300 | 53 | 1.9 | 6000 | 80-300 | 1.2-3.0 | 50-300 | 1000 | 300 | 1.15 | 0.149 | 0.007 | 100KT100hT |
KP3500-76KT73cT | 3500A | 500-1000V | 200 | 44 | 1.7 | 5000 | 50-280 | 1.2-2.5 | 30-300 | 1000 | 250 | 0.82 | 0.07 | 0.011 | 76KT73cT |
KP3500-88KT84hT | 3500A | 1200-2200V | 250 | 44 | 1.4 | 6000 | 80-300 | 1.2-3.0 | 50-300 | 1000 | 300 | 0.99 | 0.11 | 0.009 | 88KT84hT |
KP3500-100KT100hT | 3500A | 2400-3400V | 300 | 65 | 1.6 | 6000 | 80-300 | 1.2-3.0 | 50-300 | 1000 | 300 | 1.04 | 0.098 | 0.007 | 100KT100hT |
KP3900-120KT110hT | 3900A | 5400-6500V | 400 | 65 | 1.7 | 3000 | 80-300 | 1.2-3.0 | 50-300 | 1000 | 300 | 1.18 | 0.19 | 0.004 | 120KT110hT |
KP4000-88KT84hT | 4000A | 500-1000V | 250 | 55 | 1.7 | 5000 | 80-300 | 1.2-3.0 | 50-300 | 1000 | 300 | 0.88 | 0.06 | 0.009 | 88KT84hT |
KP4500-100KT100hT | 4500A | 1800-2200V | 300 | 84 | 1.3 | 6000 | 80-300 | 1.2-3.0 | 50-300 | 1000 | 300 | 0.96 | 0.059 | 0.007 | 100KT100hT |
KP4800-120KT110hT | 4800A | 4400-5200V | 400 | 75 | 1.3 | 3000 | 80-300 | 1.2-3.0 | 50-300 | 1000 | 300 | 1.05 | 0.116 | 0.004 | 120KT110hT |
KP5200-120KT110hT | 5200A | 3000-4200V | 400 | 85 | 1.5 | 6000 | 80-300 | 1.2-3.0 | 50-300 | 1000 | 300 | 0.98 | 0.1 | 0.004 | 120KT110hT |
KP6800-120KT110hT | 6800A | 2200-2800V | 400 | 95 | 1.1 | 6000 | 80-300 | 1.2-3.0 | 50-300 | 1000 | 300 | 0.88 | 0.052 | 0.004 | 120KT110hT |
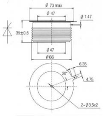
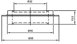
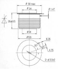
◄外形尺寸备查►
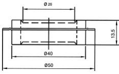
KL6 |
KL8/KL10 |
KL12 |
KL16 |
KL20 |
KLy19 |
KL24 |
KL30 |
26KT19aT |
30KT25aT |
35KT29aT |
38KT34cT、40KT34cT |
38KT34hT |
40KT39cT |
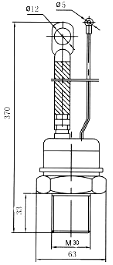
45KT44cT |
50KT47cT |
50KT47hT |
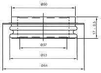
55KT54cT、60KT54cT |
65KT63cT、70KT63cT |
67KT63hT |
76KT73cT |
76KT73hT |
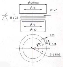
88KT84cT |
88KT84hT |
100KT100hT |
120KT110hT |
|
|
26KA24 |
30KA26 |
35KA32 |
40KA37 |
地址:长沙市雨花区金海路128号领智工业园A1栋5层503号
电话:0731-81858168/ 15200904688
13501214042
邮箱:1062662049@qq.com/54485717@qq.com