

可控硅或二极管在实际使用过程中由于电流较大,一定会产生较高的热量,热量要通过散热器散发到空气中去,否则会产生热量堆积,使得模块节温升高损坏。本公司除了为客户提供可控硅或二极管分立器件,还可配套供应铝制风冷散热器和铜制水冷散热器。
本公司自产 可控硅二极管分立器件 | 本公司采用进口管芯和国产优质管芯,严格按国际标准生产可控硅、二极管分立器件及配套提供分立器件散热器。品种有: 之一、KP 系列 普通可控硅 ( Phase Control Thyristor) 之二、KK 系列 快速可控硅 ( Fast Switching Thyristor) (点击某一类,可跳转至相应页面) 之三、KA(KG) 系列 高频可控硅 ( High Frequence Thyristor) 之四、KS 系列 双向可控硅 ( Bi-Directional Thyristor) 之五、ZP 系列 普通整流二极管 (Rectifier Diode ) 之六、ZK 系列 快速二极管 ( Fast Recovery Diode ) 之七、ZX 系列 旋转整流二极管 ( Revolation Recovery Diode) 之八、分立器件所用散热器的选配原则 & 分立器件散热器的外形及安装尺寸 |
本页介绍
之八、分立器件所用散热器的选配原则 & 分立器件散热器的外形及安装尺寸 | |
一、分立器件所用散热器的选配原则
功率半导体元件在工作时,自身必然要产生热损耗。选配合适的散热器,是元件可靠工作的重要条件之一。
1、概念:
① 元件额定工作结温Tjm :即元件允许的最高工作温度极限。本参数由制造厂提供,或产品标准强制给出要求。
② 元件的损耗功率P :元件在工作时自身产生的平均稳态功率消耗,定义为平均有效值输出电流与平均有效值电压降的乘积。
③ 耗散功率Q :特定散热结构的散热能力。
④ 热阻R:热量在媒质之间传递时单位功耗所产生的温升除以耗散功率,即 R=△T/Q。
2、散热器的选配:
设环境温度为 Ta,散热器配置的目的,是保证它能将元件的热损耗有效地传导至周围环境,并使其热源(即结点)的温度不超过 Tjm 。用公式表示为 P<Q= ( Tjm-Ta) /R ..... ① 而热阻又主要由三部分组成: R=Rjc+Rcs+Rsa ……. ② 其中:
Rjc --结点至管壳的热阻,与元件的工艺水平和结构有很大关系,由制造厂给出;
Rcs --管壳至散热器的热阻,与管壳和散热器之间的填隙介质(通常为空气)、接触面的粗糙度、平面度以及安装的压力等密切相关。介质的导热性能越好或者接触越紧密,则 Rcs越小。本公司推荐的散热器安装,一般 Rcs ≈ ( 0.1~0.2 ) Rjc;
Rsa --散热器至空气的热阻,它是散热器选择的重要参数,与材质、 材料的形状和表面积、体积以及散热介质(如水、空气)流速等参数有关。
综合①和②,可得 Rsa<[ (Tjm-Ta ) /P]- Rjc-Rcs ……. ③ ,上式③即散热器选配的基本原则。一般散热器厂商应提供特定散热器材料的形状参数和热阻特性曲线,据此设计人员可计算出所需散热器的表面积、长度、重量,并进一步求得散热器的热阻值 Rsa 。
选用标准散热器时,可根据 ③式计算出的值选取合适的散热器。螺栓型器件的散热器见特性参数表中推荐的散热器。平板型元件,必须选择 SS水冷系列和SF风冷系列散热器,它们的 Rsa 值见下两表:
SS 水冷系列 | 散热器型号 | SS11 | SS12 | SS13 | SS14 | SS15 |
| SF 风冷系列 | 散热器型号 | SF11 | SF12 | SF13 | SF14 | SF15 | SF16 | SF17 | SF17A |
Rsa (℃/W ) | 0.026 | 0.018 | 0.015 | 0.013 | 0.010 |
| Rsa (℃/W ) | 0.12 | 0.09 | 0.07 | 0.056 | 0.048 | 0.037 | 0.030 | 0.025 |
3、注意事项:
上面的理论分析是一个普遍原则,在实际设计中应留出足够余量。另外,散热器表面向空气的热辐射,也是一种热耗散方式。在风冷散热器自冷设计中广泛应用的阳极氧化发黑和打毛处理工艺,即是增加热辐射的有效办法。但该办法明显不适用于要求强迫风冷时以对流传导为主要方式的设计,因为散热器表面越光亮则热阻越低,这是要特别提示设计人员的。
4、元件在散热器中的装配:
在元件与散热器的组装时,应注意以下事项:
① 散热器的台面必须与元件台面尺寸相匹配,防止压偏、压歪,而损坏器件。
② 散热器台面必须有较高的平整、光洁度。建议散热器台面粗糙度小于或等于1.6μ m,平整度小于或等于30μ m。安装时元件台面与散热器台面应保持清洁干净、无油污等脏物。
③ 安装时要保持元件台面与散热器的台面完全平行、同心。安装过程中,要求通过元件中心线施加压力,以使压力均匀分布在整个接触区域。用户手工安装时,建议使用扭矩扳手,对所有紧固螺母交替均匀用力,压力的大小要达到数据表中要求。
④ 在重复使用水冷散热器时,应特别注意检查其台面是否光洁、平整,水腔内是否有水垢和堵塞,尤其注意台面是否出现下陷情况,若出现了上述情况应予以更换。在使用中需注意,风冷方式加装散热器后,一般要求风速不低于 6m/s ;水冷方式要求水冷散热器水流量不小于4×103 ml/min ,进水温度 5 ℃-35 ℃,水质清洁。
湖南瑞田达利电子科技有限公司可提供 SS水冷系列和SF风冷系列以及各类非标及组件散热器,为元件配套使用。 根据元件通态额定平均电流推 荐配置的标准型散热器型号见下表
元件通态额定平均电流 | 推荐散热器型号 | |
水冷 | 风冷 | |
200A | SS11 | SF12 |
300A | SS12 | SF12、SF13 |
500A、600A | SS12 | SF15 |
800A、1000A | SS13 | SF16 |
1200A-2000A | SS14 | SF17 |
2500A | SS15 | SF17A |
3000A以上 | SS15 | -- |
其中, SF系列风冷散热器是指在强迫风冷(风速≥ 6m/s )条件下的推荐配置,用户在使用适应根据实际散热条件并考虑可靠性要求进行选择。
对于 1000A以上元件一般不推荐使用风冷散热器,若使用风冷,则元件额定电流需降额使用。瑞田达公司除提供标准散热器配套外,还提供 风冷反并联组件 、 水冷反并联组件 、 水冷双孔铜排(压装多个晶闸管),见以下图例或照片:
风冷反并联组件 |
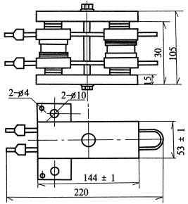
水冷反并联组件(DSS3、DSS5、DSS6、DSS8),适合焊机使用 |
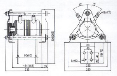
二、分立器件所用散热器的外形及安装尺寸
1、SF系列风冷散热器

型号 | 外形尺寸 | 导电排尺寸 | 安装尺寸 | ||||||||||||||
L | D | H | L1 | D1 | H1 | D2 | H2 | H3 | d | d1 | a | c | e | g | i | k | |
SF12 | 200 | 110 | 125 | 60 | 40 | 8 | 80 | 15 | 22 | Ф 13 | M6 | 20 | 20 | 55 | 30 | 6 | 20 |
SF13 | 200 | 120 | 130 | 60 | 40 | 8 | 90 | 15 | 45 | Ф 13 | M6 | 20 | 20 | 64 | 33 | 6 | 20 |

型号 | 外形尺寸 | 导电排尺寸 | 安装尺寸 | |||||||||||||||||
L | D | H | L1 | D1 | H1 | D2 | H2 | H3 | d | d1 | a | b | c | e | f | g | i | j | k | |
SF14 | 250 | 140 | 145 | 80 | 50 | 10 | 105 | 15 | 45 | Ф 11 | M6 | 12.5 | 25 | 12.5 | 40 | 35 | 55 | 8 | 20 | 25 |
SF15 | 280 | 140 | 165 | 80 | 60 | 12 | 105 | 15 | 50 | Ф 13 | M8 | 17.5 | 25 | 15 | 40 | 35 | 62 | 8 | 20 | 25 |
SF16 | 280 | 180 | 200 | 80 | 60 | 12 | 130 | 15 | 66 | Ф 13 | M8 | 17.5 | 25 | 15 | 30 | 40 | 78 | 8 | 20 | 25 |
SF17 | 300 | 200 | 215 | 80 | 60 | 12 | 130 | 15 | 73 | Ф 13 | M8 | 17.5 | 25 | 15 | 40 | 40 | 85 | 8 | 20 | 25 |
SF17A | 300 | 200 | 224 | 80 | 60 | 12 | 130 | 24 | 82 | Ф 13 | M8 | 17.5 | 25 | 15 | 40 | 40 | 94 | 8 | 20 | 25 |
2、SS系列水冷散热器
SS11 、 SS12 型 | 型号 | 外形尺寸 | 导电排尺寸 | 安装尺寸 | ||||||||||||
L | D | H | L1 | H1 | D1 | D2 | H2 | H3 | d | d1 | d2 | c | e | f | ||
SS11 | 140 | 135 | 146 | 53 | 4 | 30 | 112 | 64 | 105 | 2-Ф9 | 9×14 | M3 | 20 | 35 | 6 | |
SS12 | 190 | 160 | 152 | 78 | 5 | 40 | 140 | 64 | 105 | 2-Ф13 | 11×14 | M3 | 20 | 65 | 8 | |
SS13、 SS14型 | 型号 | 外形尺寸 | 导电排尺寸 | 安装尺寸 | ||||||||||||||
L | D | H | L1 | H1 | D1 | D2 | H2 | H3 | d | d1 | a | b | c | e | f | g | ||
SS13 | 190 | 160 | 152 | 78 | 6 | 50 | 140 | 64 | 105 | 4-Ф13 | 11×13 | 15 | 20 | 15 | 65 | 8 | 20 | |
SS14 | 220 | 195 | 188 | 85 | 6 | 50 | 165 | 74 | 130 | 4-Ф13 | 11×13 | 17.5 | 20 | 20 | 65 | 10 | 20 | |

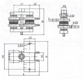
SS15 外形及尺寸 DSS3、DSS5、DSS6、DSS8,适合焊机使用
型号 | 外形尺寸 | 安装尺寸 | ||||||||||
L | L1 | L2 | L3 | H | H1 | H2 | H3 | D1 | D2 | D3 | WMAX | |
DSS3 | 140 | 70 | 50 | 40 | 118 | 25 | 88 | 25 | Ф8.2 | M5×7 | M3×6 | 135 |
DSS5 | 170 | 88 | 57 | 50 | 130 | 30 | 100 | 30 | Ф11 | M6×15 | M3×6 | 155 |
DSS6 | 180 | 93 | 60 | 55 | 151 | 35 | 121 | 30 | Ф11 | M6×15 | M3×6 | 155 |
DSS8 | 193 | 100 | 62 | 60 | 190 | 50 | 160 | 30 | Ф11 | M6×10 | M3×6 | 160 |
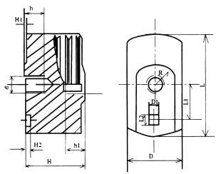
3、螺栓管散热器
| 型号 | 外形尺寸 | 安装尺寸 | 台面 | 定位孔 | ||||||||||
L | D | H | d | h | d1 | L1 | R | H1 | H2 | L2 | L3 | D1 | H3 | ||
SL17 | 68 | 72 | 90 | M12×1.5 | 18 | 12 | 50 | 18 | 1 | 9 | 25 | 10 | 7 | 4 | |
SL17B | 68 | 72 | 90 | M12×1.5 | 18 | 12 | 50 | 18 | 1 | 9 | 25 | 10 | 7 | 4 | |
SL18 | 90 | 88 | 112 | M20×1.5 | 23 | 15 | 60 | 23 | 1 | 12 | 30 | 10 | 8 | 4 | |
SL18B | 90 | 88 | 112 | M24×1.5 | 23 | 15 | 60 | 23 | 1 | 12 | 30 | 10 | 8 | 4 | |
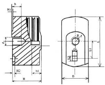
| 型号 | 外形尺寸 | 安装尺寸 | 台 面 | 定位孔 | ||||||||||
L | D | H | d | h | d1 | L1 | R | H1 | H2 | L2 | L3 | D1 | H3 | ||
SL19 | 130 | 130 | 110 | M20×1.5 | 25 | 19 | 80 | 28 | 1 | 15 | 42 | 10 | 8 | 5 | |
SL19A | 130 | 130 | 110 | M24×1.5 | 25 | 19 | 80 | 28 | 1 | 15 | 42 | 10 | 8 | 5 | |
SL20 | 148 | 148 | 135 | M24×1.5 | 35 | 19 | 100 | 34 | 2 | 21 | 58 | 10 | 8 | 5 | |
SL21 | 160 | 160 | 145 | M24×1.5 | 35 | 19 | 100 | 34 | 2 | 21 | 58 | 10 | 8 | 5 | |
| 型号 | 外形尺寸 | 安装尺寸 | 台面 | 定位孔 | |||||||||
L | D | H | d | h | d1 | h1 | R | H1 | L1 | L2 | D1 | H2 | ||
SZ13 | 45 | 22 | 25 | M6 | 12 | M6 | 10 | 8 | 1 | 17 | 7 | 5 | 4 | |
SZ14 | 60 | 32 | 33 | M6 | 12 | M6 | 12 | 12 | 1 | 23 | 8 | 6 | 4 | |
SZ14A | 60 | 32 | 33 | M8 | 14 | M6 | 12 | 12 | 1 | 23 | 8 | 6 | 4 | |
SZ14B | 60 | 32 | 33 | M10 | 14 | M6 | 12 | 12 | 1 | 23 | 8 | 6 | 4 | |
SZ15 | 70 | 36 | 40 | M8 | 14 | M10 | 12 | 13 | 1 | 25 | 8 | 6 | 4 | |
SZ15A | 70 | 36 | 40 | M10 | 14 | M10 | 12 | 13 | 1 | 25 | 8 | 6 | 4 | |
SZ16 | 70 | 46 | 48 | M10 | 16 | M10 | 15 | 16 | 1 | 25 | 8 | 6 | 4 | |
SL16 | 70 | 46 | 48 | M12 | 16 | M12 | 15 | 16 | 1 | 25 | 8 | 6 | 4 | |
地址:长沙市雨花区金海路128号领智工业园A1栋5层503号
电话:0731-81858168/ 15200904688
13501214042
邮箱:1062662049@qq.com/54485717@qq.com