

日本FUJI富士公司生产的普通IGBT模块包括以下四种:1-pack (一单元);2-pack (两单元);6-pack (六单元); Chopper (斩波器)【详细介绍见产品详情】
► 提示:
日本富士FUJI公司生产的IGBT模块品种繁多,为了使客户选型方便,我们按其性能分为3类:
*MBI系列普通IGBT模块 *MBR系列 PIM 功率集成模块 *MBP系列 IPM 智能功率模块
点击某一系列,可跳转到相应页面。
富士 普通IGBT模块
日本FUJI富士公司生产的普通IGBT模块包括以下四种
1-pack (一单元):1-Pack是具有1个元件的产品,适用于大容量的电力转换器。 标准封装分为采用氧化铝的绝缘基板DCB和采用氮化铝的绝缘基板DCB两种。 电力铁路、电力用功率半导体要求具有很高的可靠性,大功率模块能够满足这一需求。 具备较高的耐热循环性和功率循环性,确保跟踪性能CTI>600。
2-pack (两单元):2-Pack内置有半桥电路。 产品系列支持UPS、通用变频器、电力铁路、大型太阳能发电等的大范围转换器容量。 基础设施用途要求具有高可靠性,大功率模块和PrimePACK?能够满足这一需求。 标准产品为市场上普遍流通的外形,可兼容其他公司的产品。
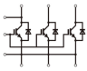
6-pack (六单元):6-Pack是将3相变频器电路集成到1个模块上的产品,能够紧凑地设计主电路。 模块端子与印刷电路板的连接方面,有钎焊和无焊两种。 EconoPACK+ 将DC输入和AC输出端子分离在两侧,能够紧凑地设计大容量3相变频器电路。
Chopper (斩波器)
本公司作为日本FUJI富士公司普通IGBT模块在中国的经销商,保证原装正品,常备现货。欢迎来电咨询。
IGBT模块 1-pack (一单元)
外型照片
M153 M151 M152 | 内部连接图
1MBI-1 1MBI-2 1MBI-3 |
电压等级 | 外型 | 内部电路图 | 型号列表 |
1200V | M153 | 1MBI-1 | 1MBI400V-120-50 1MBI400VF-120-50 1MBI600V-120-50 1MBI600VF-120-50 1MBI900V-120-50 |
M151 | 1MBI-2 | ||
M152 | 1MBI-3 | ||
1700V | M151 | 1MBI-2 | 1MBI1200VC-170E 1MBI1600VC-170E 1MBI2400VC-170E 1MBI1200VR-170E 1MBI1600VR-170E 1MBI2400VR-170E |
M152 | 1MBI-3 | 1MBI2400VD-170E 1MBI3600VD-170E 1MBI2400VS-170E 1MBI3600VS-170E | |
3300V | M151 | 1MBI-2 | |
M152 | 1MBI-3 |
IGBT模块 2-pack (两单元)
外型照片 M233 M249 M263 M274 M275 M276 M277 M254
| |
M282 M260 M278 M271 M272 | 内部连接图
2MBI-1 2MBI-1-T 2MBI-2 2MBI-2-T |
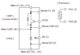
IGBT模块 6-pack (六单元)
外型照片
M633 M636 M647 M648 M29
| 内部连接图
6MBI-CT 6MBI-OT |
电压等级 | 外型 | 内部电路图 | 型号列表 |
600V | M636 | 6MBI-CT | |
M633 | 6MBI-CT | ||
M647 | 6MBI-CT | ||
M648 | 6MBI-CT | ||
1200V | M636 | 6MBI-CT | |
M633 | 6MBI-CT | 6MBI100VB-120-50 6MBI150VB-120-50 6MBI180VB-120-50 6MBI180VB-120-55 | |
M647 | 6MBI-CT | ||
M648 | 6MBI-CT | 6MBI100VX-120-50 6MBI150VX-120-50 6MBI180VX-120-50 6MBI180VX-120-55 | |
M629 | 6MBI-OT | 6MBI225V-120-50 6MBI300V-120-50 6MBI450V-120-50 6MBI550V-120-50 | |
1700V | M629 | 6MBI-OT |
IGBT模块 Chopper (斩波器)
外型照片
M262 M259 M272 M271 |
内部连接图 斩波-C 斩波-C-T 斩波-E-T |
电压等级 | 外型 | 内部电路图 | 型号列表 |
600V | M259 | 斩波-C | |
1200V | M262 | 斩波-C | 1MBI50U4F-120L-50 1MBI75U4F-120L-50 1MBI100U4F-120L-50 1MBI200U4H-120L-50 1MBI150VA-120L-50 |
M272 | 斩波-C-T | ||
斩波-E-T | |||
M271 | 斩波-C-T | ||
斩波-E-T | |||
1700V | M271 | 斩波-C-T | |
斩波-E-T | |||
M272 | 斩波-C-T | ||
斩波-E-T |
地址:长沙市雨花区金海路128号领智工业园A1栋5层503号
电话:0731-81858168/ 15200904688
13501214042
邮箱:1062662049@qq.com/54485717@qq.com