

SEMITOP平台专注于12mm高度模块,涵盖中低功率范围,有一个或两个安装螺钉,无铜底板,PCB接口采用焊接或Press-fit引脚。SEMITOP系列适用于UPS和太阳能应用、电机驱动器、电源、焊接和新兴EV电池充电器市场。
► 提示:
德国Semikron赛米控公司生产的IGBT模块按封装形式可分为六大系列,分别是
SEMITRANS系列 SEMITOP系列 MiniSKiiP系列
点击某一系列,可跳转到相应页面。
SEMITOP平台专注于12mm高度模块,涵盖中低功率范围,有一个或两个安装螺钉,无铜底板,PCB接口采用焊接或Press-fit引脚。得益于低换相电感设计和最新的硅和碳化硅芯片技术,该产品适用于UPS和太阳能应用、电机驱动器、电源、焊接和新兴EV电池充电器市场。SEMITOP系列可实现各种不同配置,包括三电平(NPC/TNPC)和CIB(整流器-逆变器-制动器)拓扑结构。
SEMITOP系列采用极具成本效益的设计。继最新SEMITOPE系列推出之后,该代产品设计用于70kW以下中低功率范围。紧凑结构和低电感设计加上最新的芯片技术和不同的拓扑结构,确保两种平台适用于不同市场,如UPS、太阳能、电机驱动器、电源和新兴EV电池充电器市场。
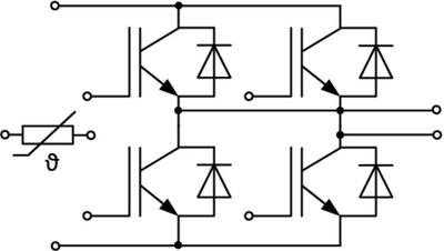
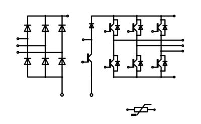
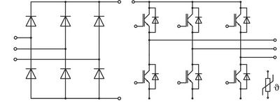
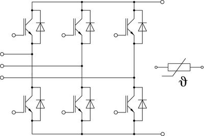
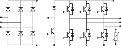
SEMITOP® IGBT模块内部电路连接图
GH H-桥 |
GB两单元 |
GAL单开关 |
GAR单开关 |
BGD-ET六单元 (含单相整流桥、热敏电阻、未封闭) |
GH-T H-桥 (含热敏电阻) |
MLI 3电平 |
GD-T六单元 (含热敏电阻) |
GD六单元 |
GD-ET六单元 ( 未封闭、含热敏电阻) |
DGD-ET六单元 (含三相整流桥、热敏电阻、未封闭) |
GBB H-桥 |
GARL 半桥 |
GB-T两单元 (含热敏电阻) |
DGDL-T七单元 (含三相整流桥、热敏电阻) |
DGDL-ET七单元 (含三相整流桥、热敏电阻、未封闭) |
SEMITOP® IGBT模块型号(点击某一型号,可查看该型号PDF文件)
地址:长沙市雨花区金海路128号领智工业园A1栋5层503号
电话:0731-81858168/ 15200904688
13501214042
邮箱:1062662049@qq.com/54485717@qq.com