

单三相整流桥,是指一种模块封装中有四片、五片或六片可控硅或二极管管芯组成单相整流桥、三相整流桥。整流桥有多种连接方式,具体见以下文档。
本公司自产 可控硅二极管模块 | |
本公司采用进口管芯和国产优质管芯,严格按国际标准生产可控硅模块、二极管模块、整流桥模块及配套提供模块散热器。品种有:
之一,MT*系列单/双可控硅模块Single/Double Phase Control Thyristors Modules
之二,MF*系列可控硅二极管混合模块SCR/Diode Phase Control
之三,MD*系列单/双二极管模块Single/Double Diode Modules
之四,M*Q系列单相整流桥、M*S三相整流桥
之六,模块用散热器选型 (点击某一类,可跳转至相应页面)
本页介绍 之四,M*Q系列单相整流桥、M*S三相整流桥 |
说明
特点
| 典型应用
| 说明
|
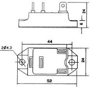
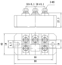
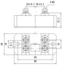
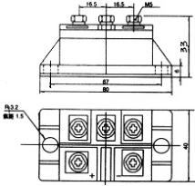
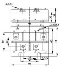
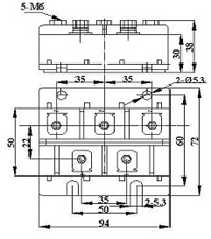
外形尺寸
DQ1 |
DQ2 |
DQ3 |
DQ4 |
DQ5 |
FQ2 |
FQ5 |
TQ2 |
TQ5 |
DS1 |
DS2 |
DS3 |
DS4 |
DS5 |
FS2 |
FS5 |
TS2 |
TS5 |
|
|
产品明细
① 单相桥:包括MDQ 单相整流桥,MFQ、MFQ(X)、MFQ(Z) 单相半控桥,MTQ 单相全控桥
内部电路图
MDQ单相整流桥 |
MFQ单相半控桥 |
MFQ(X)单相半控桥 (带续流二极管) |
MFQ(Z)单相半控桥 (可控硅在同一侧) |
MTQ 单相全控桥 |
MDQ 单相整流桥 | ||||||||||||||
Type | Io (A) | VRRM | IRRM | IFAV (A) | IFSM | VFM | @IFM | I2t | Rjc | VISO | VF0 | rF | SA | outline |
@100 oC | (V) | (mA) | @100 °C | (KA) | (V) | (A) | (A2S×104) | (oC/w) | (V) | (V) | (mΩ) | (cm2) | ||
MDQ 2O | 20 | 600-1800 | 6 | 10 | 0.30 | 1.15 | 30 | 0.045 | 0.65 | 2500 | 0.80 | 11.6 | 800 | DQ1 |
MDQ 40 | 40 | 600-1800 | 6 | 20 | 0.60 | 1.15 | 60 | 0.180 | 0.55 | 2500 | 0.80 | 5.83 | 1200 | DQ2 |
MDQ 60 | 60 | 600-1800 | 6 | 30 | 0.90 | 1.15 | 90 | 0.405 | 0.53 | 2500 | 0.80 | 3.88 | 1800 | |
MDQ 80 | 80 | 600-1800 | 8 | 40 | 1.20 | 1.15 | 120 | 0.720 | 0.32 | 2500 | 0.80 | 2.91 | 2400 | DQ3/DQ5 |
MDQ 100 | 100 | 600-1800 | 8 | 50 | 1.50 | 1.15 | 150 | 1.125 | 0.28 | 2500 | 0.80 | 2.33 | 3000 | |
MDQ 150 | 150 | 600-1800 | 10 | 75 | 2.30 | 1.15 | 230 | 2.645 | 0.15 | 2500 | 0.80 | 1.52 | 4500 | DQ4 |
MDQ 200 | 200 | 600-1800 | 10 | 100 | 3.00 | 1.15 | 300 | 4.50 | 0.13 | 2500 | 0.80 | 1.17 | 6000 | |
MFQ、MFQ(X)、MFQ(Z) 单相半控桥 下表中,MFQ* 表示MFQ、MFQ(X)、MFQ(Z)中的任一种 | ||||||||||||||||||
Type | Io (A) | VDRM VRRM | IDRM IRRM | ITAV (A) IFAV (A) | ITSM IFSM | VTM VFM | @ITM @IFM | IGT | VGT | IH | dv/dt | di/dt | Rjc | VISO | VT0 VF0 | rT rF | SA | outline |
@100oC | (V) | (mA) | @100oC | (KA) | (V) | (A) | (mA) | (V) | (mA) | (V/us) | (A/us) | (oC/w) | (V) | (V) | (mΩ) | (cm2) | ||
MFQ* 40 | 40 | 600-1800 | 6 | 20 | 0.60 | 1.45/1.15 | 60 | 50 | 1.0 | 60 | 800 | 50 | 0.55 | 2500 | 0.80 | 10.8/5.83 | 1200 | FQ2 |
MFQ* 60 | 60 | 600-1800 | 6 | 30 | 0.90 | 1.45/1.15 | 90 | 50 | 1.0 | 60 | 800 | 50 | 0.53 | 2500 | 0.80 | 7.22/3.88 | 1800 | |
MFQ* 80 | 80 | 600-1800 | 8 | 40 | 1.20 | 1.45/1.15 | 120 | 50 | 1.0 | 60 | 800 | 50 | 0.32 | 2500 | 0.80 | 5.42/2.91 | 2400 | FQ5 |
MTQ 单相全控桥 | ||||||||||||||||||
Type | Io (A) | VDRM VRRM | IDRM IRRM | ITAV (A) | ITSM | VTM | @ITM | IGT | VGT | IH | dv/dt | di/dt | Rjc | VISO | VT0 | rT | SA | outline |
@100 oC | (V) | (mA) | @100 oC | (KA) | (V) | (A) | (mA) | (V) | (mA) | (V/us) | (A/us) | (oC/w) | (V) | (V) | (mΩ) | (cm2) | ||
MTQ 40 | 40 | 600-1800 | 8 | 20 | 0.60 | 1.45 | 60 | 50 | 1.0 | 60 | 800 | 50 | 0.55 | 2500 | 0.80 | 10.8 | 1200 | TQ2 |
MTQ 60 | 60 | 600-1800 | 10 | 30 | 0.90 | 1.45 | 90 | 50 | 1.0 | 60 | 800 | 50 | 0.32 | 2500 | 0.80 | 7.22 | 2000 | TQ5 |
② 三相桥:包括MDS 三相整流桥,MFS三相半控桥,MTS 三相全控桥
内部电路图
MDS三相整流桥 |
MFS三相半控桥 |
MTS三相全控桥 |
MDS 系列三相整流桥 (Three Phase Bridge) | ||||||||||||||
Type | Io (A) | VRRM | IRRM | IFAV (A) | IFSM | VFM | @IFM | I2t | Rjc | VISO | VF0 | rF | SA | outline |
@100 oC | (V) | (mA) | @100 °C | (KA) | (V) | (A) | (A2S×104) | (oC/w) | (V) | (V) | (mΩ) | (cm2) | ||
MDS 30 | 30 | 600-1800 | 6 | 10 | 0.30 | 1.15 | 30 | 0.045 | 0.45 | 2500 | 0.80 | 11.6 | 1200 | DS1 |
MDS 60 | 60 | 600-1800 | 6 | 20 | 0.60 | 1.15 | 60 | 0.180 | 0.36 | 2500 | 0.80 | 5.83 | 1600 | DS2 |
MDS 90 | 90 | 600-1800 | 6 | 30 | 0.90 | 1.15 | 90 | 0.405 | 0.32 | 2500 | 0.80 | 3.88 | 2400 | |
MDS 75 | 75 | 600-1800 | 8 | 25 | 0.90 | 1.15 | 75 | 0.405 | 0.28 | 2500 | 0.80 | 4.67 | 2000 | DS3/DS5 |
MDS 100 | 100 | 600-1800 | 8 | 33 | 1.00 | 1.15 | 100 | 0.50 | 0.24 | 2500 | 0.80 | 3.50 | 2700 | |
MDS 160 | 160 | 600-1800 | 10 | 55 | 1.65 | 1.15 | 160 | 1.361 | 0.15 | 2500 | 0.80 | 2.19 | 4800 | DS4 |
MDS 200 | 200 | 600-1800 | 10 | 67 | 2.00 | 1.15 | 200 | 2.0 | 0.13 | 2500 | 0.80 | 1.75 | 6500 | |
MFS 系列三相半控桥 (Three Phase Half-Controled Bridge) MTS 系列三相全控桥 (Three Phase Full-Controled Bridge) | ||||||||||||||||||
Type | Io (A) | VDRM VRRM | IDRM IRRM | ITAV (A) IFAV (A) | ITSM IFSM | VTM VFM | @ITM @IFM | IGT | VGT | IH | dv/dt | di/dt | Rjc | VISO | VT0 VF0 | rT rF | SA | outline |
@100 oC | (V) | (mA) | @100 oC | (KA) | (V) | (A) | (mA) | (V) | (mA) | (V/us) | (A/us) | (oC/w) | (V) | (V) | (mΩ) | (cm2) | ||
MFS 60 | 60 | 600-1800 | 6 | 20 | 0.60 | 1.45/1.15 | 60 | 50 | 1.0 | 60 | 800 | 50 | 0.36 | 2500 | 0.80 | 10.8/5.83 | 1600 | FS2 |
MFS 75 | 75 | 600-1800 | 8 | 25 | 0.90 | 1.45/1.15 | 75 | 50 | 1.0 | 60 | 800 | 50 | 0.28 | 2500 | 0.80 | 8.67/4.67 | 2000 | FS5 |
MFS100 | 100 | 600-1800 | 8 | 33 | 1.00 | 1.45/1.15 | 100 | 50 | 1.0 | 60 | 800 | 50 | 0.24 | 2500 | 0.80 | 6.50/3.50 | 2700 | |
MTS 50 | 50 | 600-1800 | 6 | 17 | 0.43 | 1.45 | 50 | 50 | 1.0 | 60 | 800 | 50 | 0.40 | 2500 | 0.80 | 13.0 | 2000 | TS2 |
MTS 75 | 75 | 600-1800 | 8 | 25 | 0.63 | 1.45 | 75 | 50 | 1.0 | 60 | 800 | 50 | 0.28 | 2500 | 0.80 | 8.67 | 2700 | TS5 |
地址:长沙市雨花区金海路128号领智工业园A1栋5层503号
电话:0731-81858168/ 15200904688
13501214042
邮箱:1062662049@qq.com/54485717@qq.com