

日本三社SanRex三相整流桥包括DF系列标准型、DF – LA/LB系列、低侧高型、DF – NA系列直插封装、DFA系列三相桥+晶闸管。SanRex三相整流桥具有极低的正向电压降、高浪涌电流等优异性能。
日本三社 三相整流桥 |
|
|
日本三社SanRex三相整流桥包括DF系列标准型、DF – LA/LB系列、低侧高型、DF – NA系列直插封装、DFA系列三相桥+晶闸管,其中前面四种内部拓扑结构就是六只二极管组成的三相全桥,只是外形封装的差别。具有极低的正向电压降、高浪涌电流等优异性能。这些优点使这些模块非常可靠和高效,适用于电机驱动器、软启动器、UPS、加热器控制、电池充电器或一般用途的广泛应用。所有SanRex三相整流桥都符合RoHS标准,作为ISO 14001环境政策的最低标准,因为我们完全支持RoHS倡议。
本公司作为日本三社SanRex三相整流桥中国经销商长期备有现货,如:DF75AA160、 DF100AA160、DF200AB160等。
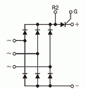
内部连接图 | Part # (PDF Files) | VRRM (V) | IDC (A) /@ Tj(°C) | |
| 1200 1600 | 20 | 119 | |
800 1600 | 20 | 123 | ||
1200 1600 | 30 | 117 | ||
800 1600 | 30 | 122 | ||
1200 1600 | 40 | 117 | ||
800 | 40 | 119 | ||
1200 1600 | 50 | 114 | ||
800 | 50 | 114 | ||
1200 1600 | 60 | 112 | ||
800 | 60 | 115 | ||
1200 1600 | 75 | 100 | ||
800 | 75 | 107 | ||
1200 1600 | 100 | 102 | ||
800 | 100 | 102 | ||
800 1600 | 150 | 100 | ||
800 1600 | 200 | 102 | ||
内部连接图 | 外形尺寸 | Part # (PDF Files) | VRRM (V) | IDC (A) /@ Tj(°C) | |
| LA | 800 1600 | 60 | 111 | |
800 1600 | 60 | 111 | |||
800 1600 | 75 | 101 | |||
LB | 800 1600 | 75 | 101 | ||
800 1600 | 100 | 90 | |||
800 1600 | 100 | 90 | |||
内部连接图 | 外 形 | Part # (PDF Files) | VRRM (V) | IDC (A) /@ Tj(°C) | |
|
| 800 1600 | 75 | 100 | |
800 1600 | 100 | 102 | |||
800 1600 | 150 | 106 | |||
800 1600 | 150 | 106 | |||
800 1600 | 200 | 106 | |||
800 1600 | 200 | 106 | |||
内部连接图 | 外 形 | Part # (PDF Files) | VRRM (V) | IDC (A) /@ Tj(°C) | |
|
| 800 1600 | 20 | 111 | |
800 1600 | 20 | 111 | |||
800 1600 | 30 | 92 | |||
800 1600 | 30 | 92 | |||
内部连接图 | 外 形 | Part # (PDF Files) | VRRM (V) | IDC (A) /@ Tj(°C) | |
|
| 800 1600 | 50 | 117 | |
800 1600 | 75 | 101 | |||
800 1600 | 100 | 98 | |||
800 1600 | 150 | 105 | |||
800 1600 | 150 | 113 | |||
800 1600 | 200 | 96 | |||
地址:长沙市雨花区金海路128号领智工业园A1栋5层503号
电话:0731-81858168/ 15200904688
13501214042
邮箱:1062662049@qq.com/54485717@qq.com